|
收藏到会员中心
|
| 文档题目: |
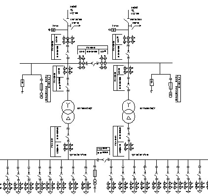
城西某工厂35kv总降压变电所供电系统示意图 |
 |
| 上传会员: |
pengcheng |
| 提交日期: |
2014-05-29 15:41:05 |
| 文档分类: |
自动化电气工程 |
| 浏览次数: |
41 |
| 下载次数: |
0
次 |
|
|
| 下载地址: |
城西某工厂35kv总降压变电所供电系统示意图 (需要:5 积分) 如何获取积分? |
| 下载提示: |
不支持迅雷等下载工具,请右键另存为下载,或用浏览器下载。不退出登录1小时内重复下载不扣积分。
|
| 文档介绍: |
以下为文档部分内容,全文可通过注册成本站会员下载获取。也可加管理员微信/QQ:17304545代下载。
|
| 文档字数: |
|
| (本文由word文档网(www.wordocx.com)会员上传,如需要全文请注册成本站会员下载) |
|